X44W三通鑄鐵旋(xuán)塞閥
質量(liàng)穩定:實行全過程質量監控,細致入微,
全方位檢測!
全方位檢測!
價格合(hé)理:高效內部成本控製,減少了開支,
讓利於客(kè)戶!
讓利於客(kè)戶!
交貨(huò)快捷:先進生產流水(shuǐ)線,充足的(de)備貨,
縮短了交貨(huò)期!
縮短了交貨(huò)期!
X44W三通鑄(zhù)鐵旋塞閥

三通(tōng)鑄(zhù)鐵旋塞閥主要性能規範
|
型號
|
公稱壓力
PN(MPa) |
試(shì)驗壓力PS(MPa)
|
適用介質
|
工作溫度(℃)
|
|
|
殼體(tǐ)
|
密封
|
||||
|
X44W-1.0
|
1.0
|
1.5
|
1.1
|
煤氣、油品(pǐn)
|
≤100
|
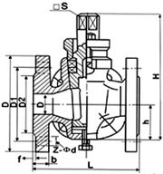
三通鑄鐵(tiě)旋(xuán)塞閥(fá)主要尺寸

|
公稱壓力
PN(MPa) |
公稱通徑
DN(mm) |
尺(chǐ)寸(mm)
|
|||||||
|
L
|
D
|
D1
|
D2
|
z-φd
|
□s
|
h
|
H
|
||
|
1.0
|
25
|
145
|
115
|
85
|
56
|
4╳φ14
|
17
|
38
|
133
|
|
32
|
170
|
135
|
100
|
78
|
4╳φ18
|
18
|
45
|
152
|
|
|
40
|
180
|
145
|
110
|
85
|
4╳φ18
|
24
|
55
|
212
|
|
|
50
|
200
|
160
|
125
|
100
|
4╳φ18
|
28
|
74
|
260
|
|
|
65
|
220
|
180
|
145
|
120
|
4╳φ18
|
32
|
82
|
295
|
|
|
80
|
250
|
195
|
160
|
135
|
4╳φ18
|
40
|
95
|
327
|
|
|
100
|
300
|
215
|
180
|
155
|
8╳φ18
|
45
|
135
|
425
|
|
|
125
|
350
|
245
|
210
|
185
|
8╳φ18
|
54
|
154
|
482
|
|
|
150
|
400
|
280
|
240
|
210
|
8╳φ23
|
62
|
172
|
512
|
|
|
200
|
450
|
335
|
295
|
265
|
8╳φ23
|
75
|
195
|
605
|
|
|
250
|
530
|
390
|
350
|
320
|
8╳φ23
|
85
|
230
|
660
|
|
|
300
|
580
|
440
|
400
|
368
|
8╳φ23
|
100
|
263
|
760
|
|
三通鑄(zhù)鐵旋塞閥主要材質
|
零件名稱
|
閥體
|
塞子
|
填(tián)料壓蓋
|
填料
|
|
X44W-1.0
|
鑄鐵
|
鑄鐵(tiě)
|
鑄鐵
|
油浸石棉(mián)盤根
|
相關旋塞閥產品(pǐn)係列:
產品(pǐn)分類
PRODUCT DISPLAY
聯係方式
contactus
浙江91香蕉视频污控製有限公司
座機:0577-67958231
傳真(zhēn):0577-67958122
手機:13587866112
地址:浙江省溫州(zhōu)市永(yǒng)嘉縣甌(ōu)北街道東甌工(gōng)業區






