G41F4襯氟(fú)隔膜閥
全方位檢測!
讓利於客戶!
縮短了交(jiāo)貨期!
|
G41F4襯氟隔膜閥(fá)
隔膜閥是一種(zhǒng)特殊形式的(de)具(jù)有(yǒu)截斷功能的閥門,其啟閉件由鋼質閥瓣與軟質材料(liào)(橡膠(jiāo)和氟塑料複合)製(zhì)成的隔膜組成,並將閥體內腔隔開以達到截斷管(guǎn)內介質之目的。 1、複合隔膜將閥體下部腔與閥蓋內腔隔開,並與之形成直流通道,使隔(gé)膜上部的閥杆,閥瓣等(děng)內件與介質完全隔離,省去填料密封結構(gòu),介質的內漏和外漏可同時避免。 2、做為執行(háng)元件的膜件由(yóu)於頻繁的啟閉(bì)易產生疲勞斷裂,應視工況,介質特性進行定期更換。 3、塑料的防腐性能及推薦使用溫度見(jiàn)“閥門及管路附件塑(sù)料襯裏性能表。” 襯氟隔膜(mó)閥設計規範 遵循GB/T 12239,BS 5156標準 驅動方式 手動襯氟隔膜閥、氣動襯氟隔膜閥(常開或常閉)、電動襯氟隔膜閥 |
| 襯氟隔膜閥主要零部件材(cái)料表 |
| 序號 | 零(líng)件名稱 | 灰鑄鐵 | 鑄鋼 | 不鏽耐酸(suān)鑄(zhù)鋼 | 超低碳不鏽耐酸鑄鋼(gāng) | ||
| Z | C | P | R | PL | RL | ||
| 1 | 閥體/閥蓋 | HT250 | WCB | CF8 | CF8M | CF3 | CF3M |
| 2 | 閥瓣(bàn)/閥杆 | 25 | 2Cr13 | 1Cr18Ni9 | 1Cr18Ni12Mo2Ti | 00Cr18Ni10 | 00Cr17Ni14Mo2 |
| 3 | 襯裏/閥座 | PCTEF(F3),FEP(F46),PFA(可溶(róng)F4),PP,PO | |||||
| 4 | 隔膜 | FEP(F46)/CR(氯丁橡(xiàng)膠)PFA(可溶F4)/FPDM(乙丙橡膠) | |||||
| 5 | 支架 | PTFE(F4) | CF8 | CF8 | |||
| 6 | 閥杆螺母 | ZCuAl10Fe3 | ZCuAl10Fe3 | ZCuAl10Fe3 | |||
| 7 | 緊固螺栓 | 35 | 1Cr17Ni2 | 1Cr18Ni9Ti | |||
| 8 | 螺母 | 45 | 0Cr18Ni9 | 0Cr18Ni9 | |||
| 9 | 手輪 | WCB | WCB | WCB | |||
|
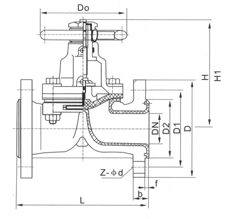
襯氟隔膜閥主要外(wài)形和連接(jiē)尺寸
|
| 公稱通經 | L | D | D1 | D2 | f | b | Z-φd | D | D1 | D2 | f | b | Z-φd | |
| DN(mm) | NPS(inch) | PN1.0MPa | PN1.6MPa | |||||||||||
| 15 | 1/2 | 125 | 80 | 55 | 40 | 2 | 12 | 4-φ12 | 95 | 65 | 45 | 2 | 14 | 4-φ14 |
| 20 | 3/4 | 135 | 90 | 65 | 50 | 2 | 14 | 4-φ12 | 105 | 75 | 55 | 2 | 16 | 4-φ14 |
| 25 | 1 | 145 | 100 | 75 | 60 | 2 | 14 | 4-φ12 | 115 | 85 | 65 | 2 | 16 | 4-φ14 |
| 32 | 5/4 | 160 | 120 | 90 | 70 | 2 | 16 | 4-φ14 | 135 | 100 | 78 | 2 | 18 | 4-φ18 |
| 40 | 3/2 | 180 | 130 | 100 | 80 | 3 | 16 | 4-φ14 | 145 | 110 | 85 | 3 | 18 | 4-φ18 |
| 50 | 2 | 210 | 140 | 110 | 90 | 3 | 16 | 4-φ14 | 160 | 125 | 100 | 3 | 20 | 4-φ18 |
| 65 | 5/2 | 250 | 160 | 130 | 110 | 3 | 16 | 4-φ14 | 180 | 145 | 120 | 3 | 20 | 4-φ18 |
| 80 | 3 | 300 | 185 | 150 | 125 | 3 | 18 | 4-φ18 | 195 | 160 | 135 | 3 | 22 | 4-φ18 |
| 100 | 4 | 350 | 205 | 170 | 145 | 3 | 18 | 4-φ18 | 215 | 180 | 155 | 3 | 22 | 8-φ18 |
| 125 | 5 | 400 | 235 | 200 | 175 | 3 | 20 | 8-φ18 | 245 | 210 | 185 | 3 | 24 | 8-φ18 |
| 150 | 6 | 460 | 260 | 225 | 200 | 3 | 20 | 8-φ18 | 280 | 240 | 210 | 3 | 24 | 8-φ23 |
| 200 | 8 | 570 | 315 | 280 | 255 | 3 | 22 | 8-φ18 | 335 | 295 | 265 | 3 | 26 | 8-φ23 |
| 250 | 10 | 680 | 370 | 335 | 310 | 3 | 24 | 12-φ28 | 390 | 350 | 320 | 3 | 28 | 12-φ23 |
| 300 | 12 | 790 | 435 | 395 | 362 | 4 | 24 | 12-φ23 | 440 | 400 | 368 | 4 | 28 | 12-φ23 |
相(xiàng)關(guān)隔(gé)膜閥產品係列:








