EG6B41J常閉式英標氣動隔膜(mó)閥
全方位檢測!
讓(ràng)利於客戶!
縮短了交貨期!
常閉式英標氣動隔膜閥(fá)的標準:
產品特點:W型(xíng) JFS型 EG6K41W、J、F-6、10、16型設計與製造按:GB12239或BS5156 結構長度按:GB12221或BS5156 法蘭連接尺寸按:GB4216.4或BS4504 試驗與檢驗按:GB/T13927或BS5156 常開式氣動襯膠,常開式襯氟塑料隔膜閥
常閉式英標氣動隔膜閥性能(néng)規範:
|
型號 |
公稱壓力 |
試驗壓力PS(Mpa) |
適用介質 |
工作溫度(℃) |
|
| - | - | ||||
|
EG6B41WJFS-6 |
0.6 |
0.9 |
0.66 |
W.非腐蝕性流體(tǐ) |
≤100 |
|
EG6B41WJFS-10 |
1.0 |
1.5 |
1.1 |
||
|
EG6B41WJFS-16 |
1.6 |
2.4 |
1.76 |
||
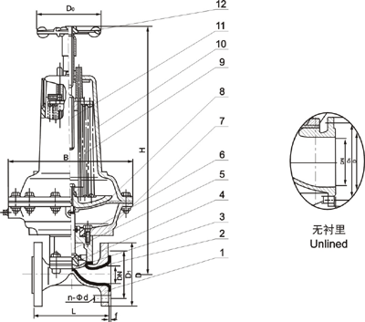
常閉式英(yīng)標氣動隔膜閥外形連接尺寸及重量:
|
型號 |
公稱通(tōng)徑 |
尺寸(mm) |
氣動裝置 |
質量 |
|||||||||||
|
L |
f |
D1 |
D |
D0 |
n-d |
H |
B |
代(dài)號 |
耗氣量(cm3) |
氣源壓力(MPa) |
氣源接頭(in) |
||||
|
J型 |
W型 |
||||||||||||||
|
EG6B41WJFS-16 |
20 |
121 |
117 |
2 |
75 |
105 |
140 |
4-13.5 |
343 |
168 |
68 |
163.87 |
0.3 |
1/8 |
6.3 |
|
25 |
131 |
127 |
2 |
85 |
115 |
140 |
4-13.5 |
345 |
168 |
68 |
196.65 |
0.3-0.4 |
1/8 |
7.3 |
|
|
32 |
150 |
146 |
2 |
100 |
140 |
140 |
4-17.5 |
363 |
260 |
68 |
229.4 |
0.3-0.4 |
1/8 |
8.3 |
|
|
40 |
163 |
159 |
2 |
110 |
150 |
140 |
4-17.5 |
430 |
260 |
69 |
1458.7 |
0.3-0.4 |
1/4 |
14.3 |
|
|
50 |
194 |
190 |
2 |
125 |
165 |
140 |
4-17.5 |
575 |
260 |
70 |
3162.7 |
0.3-0.4 |
1/4 |
26 |
|
|
EG6B41WJFS-10 |
65 |
220 |
216 |
2 |
145 |
185 |
140 |
4-17.5 |
588 |
260 |
70 |
3243 |
0.3-0.4 |
1/4 |
30.8 |
|
80 |
258 |
254 |
2 |
160 |
200 |
165 |
8-17.5 |
769 |
425 |
71 |
6636.8 |
0.4-0.5 |
3/8 |
64.9 |
|
|
100 |
309 |
305 |
2 |
180 |
220 |
280 |
8-17.5 |
816 |
425 |
71 |
6948 |
0.4-0.5 |
3/8 |
70.3 |
|
|
125 |
362 |
356 |
3 |
210 |
250 |
280 |
8-17.5 |
820 |
425 |
71 |
7374.2 |
0.4-0.5 |
3/8 |
80.7 |
|
|
150 |
412 |
406 |
3 |
240 |
285 |
280 |
8-22 |
920 |
549 |
72 |
10652 |
0.5 |
3/8 |
131.2 |
|
|
EG6B41WJFS-6 |
200 |
527 |
521 |
4 |
295 |
340 |
280 |
8-22 |
1010 |
549 |
72 |
16715 |
0.5 |
3/8 |
212 |
注(zhù):1、氣動隔(gé)膜閥尚可附裝(zhuāng)反饋信號、限(xiàn)位器或定位器,以適應自近控(kòng)、程控或(huò)調節流量的需要(yào)。
2、氣(qì)動閥門的反饋信號采用無觸點傳感技術。
3、采用氣缸(gāng)活(huó)塞式。
4、當氣源發生故障時,可操作手輪使閥門開啟






