CC超高真空插板閥
全方位檢測!
讓(ràng)利於客戶!
縮(suō)短了交貨期!
CC超高真空插板閥概述(shù)
CC超高真空插板(bǎn)閥(fá)是以(yǐ)手(shǒu)柄帶動閥板作上下運動使閥板開啟或關閉。閥門用於接通或切斷真空管路中的氣流。適用介質為純淨空氣和非腐蝕(shí)性氣體。
CC Manual Ultra-high Vacuum Gate Valve
CC manual ultra-high vacuum gate valve uses a handle to drive valve disc up and down to perform open and close action. It is used to put through or cut off the airflow in vacuum pipeline.
Applicable medium can be pure air and noncorrosive gases.
超高真空插板閥主要技術性能
Main Technical Performance| 適用範圍:Applicability | 105~1.3×10-7Pa |
| 閥門漏率:Valve Leak Rate | ≤1.3×10-7Pa.L/S. |
| 適用溫度:Applicable Temperature | -30~+150℃ |
|
閥門開啟時閥板兩側的壓差: The differential pressure between the two sides of valve disc upon valve opening: |
≤2.7×103Pa. |
主要零件材(cái)料
Materials of Main Parts
閥體、閥板:不鏽鋼
密封件:氟橡膠、波紋管(軸封)、丁腈橡膠。
Body, and disc: stainless steel
Sealing element: Viton, bellows(shaft seal), NBR
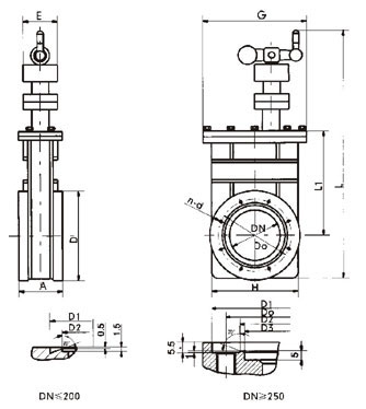
外形及連接尺寸(mm)
Overall and Connection Dimensions(mm)
|
Model
型號 |
DN
|
A
|
H
|
D
|
Do
|
D1
|
D2
|
D3
|
L
|
L1
|
G
|
E
|
n-d
|
法蘭標準
|
|
CC-50
|
50
|
60
|
92
|
89
|
72.4
|
61.6
|
55.6
|
|
515
|
153
|
220
|
124
|
8-M8
|
GB6071
|
|
CC-63
|
63
|
65
|
105
|
114
|
92.1
|
82.6
|
76.6
|
|
566
|
180
|
220
|
124
|
8-M8
|
|
|
CC-80
|
80
|
65
|
130
|
130
|
110
|
99
|
93
|
|
603
|
200
|
220
|
124
|
16-M8
|
|
|
CC-100
|
100
|
70
|
152
|
152
|
130.2
|
120.7
|
114.7
|
|
653
|
267
|
220
|
124
|
16-M8
|
|
|
CC-150
|
150
|
70
|
202
|
202
|
181
|
171.5
|
165.5
|
|
771
|
350
|
270
|
150
|
20-M8
|
|
|
CC-200
|
200
|
80
|
251
|
253
|
231.8
|
222.3
|
216.6
|
|
889
|
424
|
270
|
150
|
24-M8
|
|
|
CC-250
|
250
|
85
|
300
|
314
|
288
|
308
|
275
|
271
|
1127
|
550
|
298
|
200
|
24-M10
|
JB5278
|
|
CC-300
|
300
|
85
|
352
|
365
|
338
|
353
|
323
|
318
|
1197
|
613
|
298
|
200
|
32-M10
|
|
|
CC-320
|
320
|
85
|
372
|
385
|
357
|
379
|
344
|
340
|
1197
|
613
|
298
|
200 |
36-M10
|
JB5278
|
PRODUCT DISPLAY
contactus
浙江91香蕉视频污控製有(yǒu)限公(gōng)司
座(zuò)機:0577-67958231
傳真:0577-67958122
手機:13587866112
地址(zhǐ):浙江省(shěng)溫州市永嘉縣(xiàn)甌北街道東甌工業區(qū)






