AHN42F平行式安(ān)全回流閥
質量(liàng)穩定:實行全(quán)過程(chéng)質量監控,細致入微,
全方位檢測!
全方位檢測!
價格合理:高效內部成(chéng)本控製,減少(shǎo)了開支,
讓利於客戶!
讓利於客戶!
交貨快捷:先進生產流水線,充足的備(bèi)貨,
縮短了交貨期!
縮短了交貨期!
AHN42F平行式安全回流閥
AHN42F平行式安全回流閥產品介紹:
平行式安(ān)全回流閥(fá)安裝(zhuāng)於液化石油氣站罐泵出口的液相回流管(guǎn)道上,當泵前壓力超過規定值時,閥門(mén)自動開啟並起(qǐ)安全回流作用,保證設備和管(guǎn)路(lù)的安全運行。

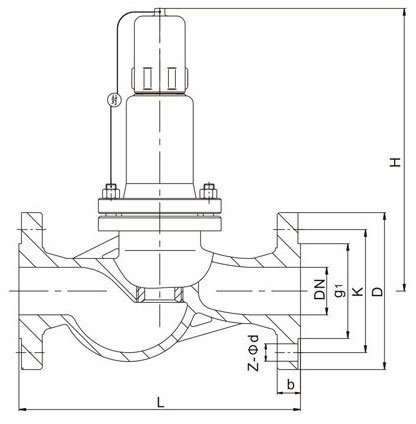
AHN42平行式安全回流閥外(wài)形尺寸(cùn)和連接尺寸
|
公稱通(tōng)徑
|
尺寸(cùn)
|
||||||
|
D
|
D1
|
D2
|
b
|
Z-?d
|
L
|
H
|
|
|
40
|
150
|
110
|
85
|
16
|
4-18
|
200
|
236
|
|
50
|
165
|
125
|
100
|
16
|
4-18
|
230
|
266
|
|
65
|
185
|
145
|
120
|
20
|
4-18
|
290
|
430
|
|
80
|
200
|
160
|
135
|
20
|
8-18
|
310
|
490
|
|
100
|
215
|
180
|
155
|
22
|
8-18
|
350
|
548
|
|
150
|
280
|
240
|
210
|
24
|
8-23
|
480
|
706
|
相關安全閥產品(pǐn)係列:
相(xiàng)關產品






