AH42F、A42F液化氣安全閥 安全回流閥(fá)
質量穩定:實行全過程質量監控,細致入微(wēi),
全方位檢測!
全方位檢測!
價格合理:高效內部成本控製,減少了開支,
讓利(lì)於客戶!
讓利(lì)於客戶!
交貨快捷:先(xiān)進生產流水線,充足的備貨,
縮(suō)短了(le)交(jiāo)貨期!
縮(suō)短了(le)交(jiāo)貨期!
AH42F、A42F液化氣(qì)安全閥(fá)產品介紹:
AH42F、A42F液化石油氣安全閥、安全回流閥適用(yòng)於工作溫度在(zài)-40~80℃的(de)液化石油氣的(de)液相出口管上,當進出口壓差0.5MPa時液化石油氣(qì)能自動回流入(rù)罐。

液化氣安(ān)全(quán)閥主要零部件材料(liào)
|
NO.
|
零件名稱
|
AH42F-C A42F-C 材料
|
|
1
|
閥座(zuò)
|
2Cr13
|
|
2
|
閥體
|
WCB
|
|
3
|
調節圈
|
2Cr13
|
|
4
|
反衝盤
|
2Cr13
|
|
5
|
閥(fá)瓣
|
2Cr13+PTFE
|
|
6
|
導向套
|
2Cr13
|
|
7
|
閥蓋
|
ZG230-450
|
|
8
|
彈簧
|
50CrVA
|
|
9
|
閥杆
|
2Cr13
|
|
10
|
調整螺杆
|
45
|
|
11
|
閥帽
|
ZG200-400
|

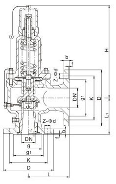
液化氣安全閥外形尺寸和連接尺寸(cùn)
|
型號
|
公稱通徑
|
do
|
D
|
K
|
g
|
g1
|
b
|
f
|
f1
|
Z-?d
|
DN'
|
D1
|
K1
|
g2
|
b1
|
f'
|
Z1-?d1
|
L
|
L1
|
≈H
|
|
AH42F-16C
A42F-16C |
20
|
15
|
105
|
75
|
|
55
|
16
|
2
|
|
4-14
|
25
|
115
|
85
|
65
|
16
|
2
|
4-14
|
110
|
95
|
378
|
|
25
|
16
|
115
|
85
|
|
65
|
16
|
2
|
|
4-14
|
32
|
140
|
100
|
78
|
18
|
2
|
4-18
|
110
|
95
|
378
|
|
|
32
|
20
|
140
|
100
|
|
78
|
18
|
2
|
|
4-18
|
40
|
150
|
110
|
85
|
18
|
3
|
4-18
|
115
|
100
|
378
|
|
|
40
|
25
|
150
|
110
|
|
85
|
18
|
3
|
|
4-18
|
50
|
165
|
125
|
100
|
20
|
3
|
4-18
|
120
|
110
|
406
|
|
|
50
|
32
|
165
|
125
|
|
100
|
20
|
3
|
|
4-18
|
65
|
185
|
145
|
120
|
20
|
3
|
4-18
|
135
|
120
|
450
|
|
|
65
|
40
|
185
|
145
|
|
120
|
20
|
3
|
|
4-18
|
80
|
200
|
160
|
135
|
20
|
3
|
8-18
|
160
|
140
|
520
|
|
|
80
|
50
|
200
|
160
|
|
135
|
20
|
3
|
|
8-18
|
100
|
220
|
180
|
155
|
22
|
3
|
8-18
|
170
|
135
|
525
|
|
|
100
|
65
|
220
|
180
|
|
155
|
22
|
3
|
|
8-18
|
125
|
250
|
210
|
185
|
22
|
3
|
8-18
|
195
|
175
|
690
|
|
|
125
|
80
|
250
|
210
|
|
185
|
22
|
3
|
|
8-18
|
150
|
285
|
240
|
210
|
24
|
3
|
8-23
|
210
|
190
|
780
|
|
|
150
|
100
|
285
|
240
|
|
210
|
24
|
3
|
|
8-23
|
175
|
310
|
270
|
240
|
26
|
3
|
8-23
|
255
|
230
|
838
|
|
|
200
|
125
|
340
|
295
|
|
265
|
26
|
3
|
|
12-23
|
250
|
405
|
355
|
320
|
30
|
3
|
12-26
|
300
|
260
|
992
|
|
|
250
|
150
|
405
|
355
|
|
320
|
30
|
3
|
|
12-26
|
300
|
460
|
410
|
375
|
30
|
4
|
12-26
|
350
|
320
|
1266
|
|
|
300
|
220
|
460
|
410
|
|
375
|
30
|
4
|
|
12-26
|
400
|
580
|
525
|
485
|
36
|
4
|
16-30
|
370
|
350
|
1283
|
|
|
350
|
250
|
520
|
470
|
|
435
|
34
|
4
|
|
16-26
|
500
|
715
|
650
|
608
|
44
|
4
|
20-34
|
500
|
450
|
1520
|
|
|
400
|
280
|
580
|
525
|
|
485
|
36
|
4
|
|
16-30
|
500
|
715
|
650
|
608
|
44
|
4
|
20-34
|
500
|
450
|
1530
|
|
|
AH42F-25
A42F-25 |
20
|
15
|
105
|
75
|
|
55
|
16
|
2
|
|
4-14
|
25
|
115
|
85
|
65
|
16
|
2
|
4-14
|
110
|
95
|
378
|
|
25
|
16
|
115
|
85
|
|
65
|
16
|
2
|
|
4-14
|
32
|
140
|
100
|
78
|
18
|
2
|
4-18
|
110
|
95
|
378
|
|
|
32
|
20
|
140
|
100
|
|
78
|
18
|
2
|
|
4-18
|
40
|
150
|
110
|
85
|
18
|
3
|
4-18
|
115
|
100
|
378
|
|
|
40
|
25
|
150
|
110
|
|
85
|
18
|
3
|
|
4-18
|
50
|
165
|
125
|
100
|
20
|
3
|
4-18
|
120
|
110
|
406
|
|
|
50
|
32
|
165
|
125
|
|
100
|
20
|
3
|
|
4-18
|
65
|
185
|
145
|
120
|
20
|
3
|
4-18
|
135
|
120
|
450
|
|
|
65
|
40
|
185
|
145
|
|
120
|
22
|
3
|
|
8-18
|
80
|
200
|
160
|
135
|
20
|
3
|
8-18
|
160
|
140
|
520
|
|
|
80
|
50
|
200
|
160
|
|
135
|
22
|
3
|
|
8-18
|
100
|
220
|
180
|
155
|
22
|
3
|
8-18
|
170
|
135
|
525
|
|
|
100
|
65
|
230
|
190
|
|
160
|
24
|
3
|
|
8-23
|
125
|
250
|
210
|
185
|
22
|
3
|
8-18
|
195
|
175
|
690
|
|
|
125
|
80
|
270
|
220
|
|
188
|
28
|
3
|
|
8-26
|
150
|
285
|
240
|
210
|
24
|
3
|
8-23
|
210
|
190
|
780
|
|
|
150
|
100
|
300
|
250
|
|
218
|
30
|
3
|
|
8-26
|
175
|
310
|
270
|
240
|
26
|
3
|
8-23
|
255
|
230
|
838
|
|
|
200
|
125
|
360
|
310
|
|
278
|
34
|
3
|
|
12-26
|
250
|
405
|
355
|
320
|
30
|
3
|
12-26
|
300
|
260
|
992
|
|
|
250
|
150
|
425
|
370
|
|
332
|
36
|
3
|
|
12-30
|
300
|
460
|
410
|
375
|
30
|
4
|
12-26
|
350
|
320
|
1266
|
|
|
300
|
220
|
485
|
430
|
|
390
|
40
|
4
|
|
16-30
|
400
|
580
|
525
|
485
|
36
|
4
|
16-30
|
370
|
350
|
1283
|
|
|
AH42F-40
A42F-40 |
20
|
15
|
105
|
25
|
51
|
55
|
16
|
2
|
4
|
4-14
|
25
|
115
|
85
|
65
|
16
|
2
|
4-14
|
110
|
95
|
378
|
|
25
|
16
|
115
|
85
|
58
|
65
|
16
|
2
|
4
|
4-14
|
32
|
140
|
100
|
78
|
18
|
2
|
4-18
|
110
|
95
|
378
|
|
|
32
|
20
|
140
|
100
|
66
|
78
|
18
|
2
|
4
|
4-18
|
40
|
150
|
110
|
85
|
18
|
3
|
4-18
|
115
|
100
|
378
|
|
|
40
|
25
|
150
|
110
|
76
|
85
|
18
|
3
|
4
|
4-18
|
50
|
165
|
125
|
100
|
20
|
3
|
4-18
|
120
|
110
|
406
|
|
|
50
|
32
|
165
|
125
|
88
|
100
|
20
|
3
|
4
|
4-18
|
65
|
185
|
145
|
120
|
20
|
3
|
4-18
|
135
|
120
|
450
|
|
|
65
|
40
|
185
|
145
|
110
|
120
|
22
|
3
|
4
|
8-18
|
80
|
200
|
160
|
135
|
20
|
3
|
8-18
|
160
|
140
|
520
|
|
|
80
|
50
|
200
|
160
|
121
|
135
|
22
|
3
|
4
|
8-18
|
100
|
220
|
180
|
155
|
22
|
3
|
8-18
|
170
|
135
|
525
|
|
|
100
|
65
|
235
|
190
|
150
|
160
|
24
|
3
|
4.5
|
8-23
|
125
|
250
|
210
|
185
|
22
|
3
|
8-18
|
195
|
175
|
690
|
|
|
125
|
80
|
270
|
220
|
176
|
188
|
28
|
3
|
4.5
|
8-26
|
150
|
285
|
240
|
210
|
24
|
3
|
8-23
|
210
|
190
|
780
|
|
|
150
|
100
|
300
|
250
|
204
|
218
|
30
|
3
|
4.5
|
8-26
|
175
|
310
|
270
|
240
|
26
|
3
|
8-23
|
255
|
230
|
838
|
|
|
200
|
125
|
375
|
320
|
260
|
282
|
38
|
3
|
4.5
|
12-30
|
250
|
405
|
355
|
320
|
30
|
3
|
12-26
|
300
|
260
|
992
|
|
|
250
|
150
|
450
|
385
|
313
|
345
|
42
|
3
|
4.5
|
12-34
|
300
|
460
|
410
|
375
|
30
|
4
|
12-26
|
350
|
320
|
1266
|
相關安全閥產品係列:
相關產品






